PCE100320-N00OC

    PCE100320-N00OC

    Kompaktkolbendichtung

Art.Nr.: 00744883
Status: Auslauf
Gewicht: 0.006
Einheit: KG
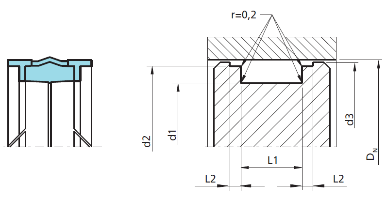
Das DPS-Profil wurde für den Einbau in geschlossene
Nuten entwickelt. Seine radiale Abmessung wurde auf
ein Minimum reduziert, um die erforderliche Verformung
beim Einbau in geschlossene Nuten zu ermöglichen.
Allerdings ist deshalb der Einsatz auf Drücke bis 35 MPa
begrenzt.
Technische Daten
Betriebsbedingungen:
Um eine optimale Funktion der DUOPAC zu erreichen,
müssen die Grenzwerte und die Oberflächengestalt gemäß
Empfehlung eingehalten bzw. ausgeführt werden.
Druck: bis 35 MPa, Bauform DPS
bis 70 MPa, Bauform DPC
Geschwindigkeit: bis 0,5 m/s
Temperatur: -30 °C bis +130 °C
Medien: Druckflüssigkeiten auf Mineralölbasis,
Wasser/Öl- und Wasser/Glykol-
Emulsionen.